Electrical
DFI warning light.
- Rage10
-
Topic Author
- Offline
- Senior Member
-
- Posts: 50
- Thanks: 3
DFI warning light.
6 years 8 months ago
Hey all,
So I'm trying to wire in the DFI warning light to my aftermarket gauge. The plug for the DFI has a G/R wire that would go to the dash, and a G/Y that goes to the cruise switch. Does anyone know what the wires actually do? The bike was gutted when I got it and the original dash and most switches are gone.
Im assuming the G/Y is a ground signal going from the computer to the switch to put it in cruise mode and the G/R goes to an indicator to let you know there is an error.
Thanks,
Isaac
So I'm trying to wire in the DFI warning light to my aftermarket gauge. The plug for the DFI has a G/R wire that would go to the dash, and a G/Y that goes to the cruise switch. Does anyone know what the wires actually do? The bike was gutted when I got it and the original dash and most switches are gone.
Im assuming the G/Y is a ground signal going from the computer to the switch to put it in cruise mode and the G/R goes to an indicator to let you know there is an error.
Thanks,
Isaac
Please Log in or Create an account to join the conversation.
- Kawboy
-
- Offline
- Sustaining Member
-
- Posts: 3214
- Thanks: 1178
Re: DFI warning light.
6 years 8 months ago - 6 years 8 months ago
I'll assume you have a Service Manual. If not, download the one available on the Home page of the Forum.
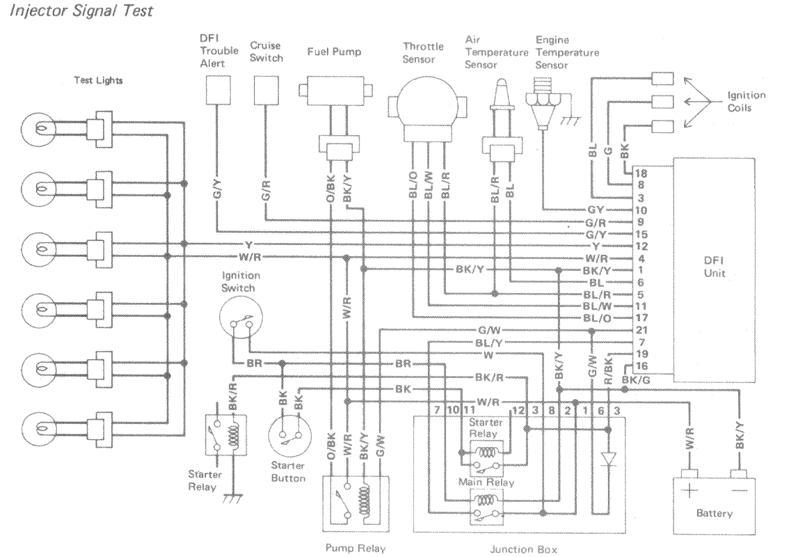
Page 3-8 shows the basic wiring of the DFI system and you have the wires identified backwards to what is shown in the manual. I don't know if that helps make any sense to your question.
Page 3-8 shows the basic wiring of the DFI system and you have the wires identified backwards to what is shown in the manual. I don't know if that helps make any sense to your question.
Last edit: 6 years 8 months ago by Kawboy.
Please Log in or Create an account to join the conversation.
- Rage10
-
Topic Author
- Offline
- Senior Member
-
- Posts: 50
- Thanks: 3
Re: DFI warning light.
6 years 8 months ago
Weird. I looked in the manual where you said and the manual I have shows it backwards to what yours does.
Please Log in or Create an account to join the conversation.
Moderators: scotch
Time to create page: 0.171 seconds
