Electrical
BURNED STATOR.
- kawaBCN
-
Topic Author
- Offline
- Platinum Member
-
- Posts: 383
- Thanks: 147
BURNED STATOR.
1 year 9 months ago
Last Saturday I received a call from a friend who had burned out the regulator on his 1300 and wanted to know if I could provide him with mine to continue riding and get home.
After asking in the forum and seeing that his motorcycle is different from mine, Kawboy very kindly told us about the incompatibility of the parts to be exchanged.
Today I received a photo of the real fault.
The strator has burned out, he doesn't know the cause and is asking me if it can be replaced with a more reliable system.
His bike is an '86 ZN DCI.
After asking in the forum and seeing that his motorcycle is different from mine, Kawboy very kindly told us about the incompatibility of the parts to be exchanged.
Today I received a photo of the real fault.
The strator has burned out, he doesn't know the cause and is asking me if it can be replaced with a more reliable system.
His bike is an '86 ZN DCI.
RUN LIKE THE WIND¡¡¡
The following user(s) said Thank You: hcjw1966
Please Log in or Create an account to join the conversation.
- zed_thirteen
-
- Offline
- Sustaining Member
-
- Posts: 557
- Thanks: 146
Re: BURNED STATOR.
1 year 9 months ago
Electrex have a few different stator types available for our bikes. This is a link to one of them:
G01 fits Kawasaki ZC1200 and Z1300 generator altermator (electrexworld.co.uk)
I've had one for years without any problems. They tens to be narrower for the same power output but work just fine
I've had one for years without any problems. They tens to be narrower for the same power output but work just fine
1980 KZ1300 B2 Touring/A2
1980 CBX1000-A
1990 ZZ-R1100 C1
1980 CBX1000-A
1990 ZZ-R1100 C1
Please Log in or Create an account to join the conversation.
- Kawboy
-
- Offline
- Sustaining Member
-
- Posts: 3214
- Thanks: 1178
Re: BURNED STATOR.
1 year 9 months ago - 1 year 9 months ago
To the best of my knowledge, you are stuck with the system that is installed because-
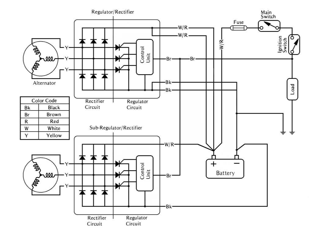
There are 2 generators , one on each end of the crankshaft and 2 regulators,
The master regulator controls the slave regulator.
You might want to check out Carmo Electronics They offer MOSFET regulators for the KZ1300A4 which is the same as the first generation of the dual generator set up like your friend's zn1300 bike.
Note the Brown wire between the 2 "Control Units". This is quite different from the single charging circuit of the KZ1300's
There are 2 generators , one on each end of the crankshaft and 2 regulators,
The master regulator controls the slave regulator.
You might want to check out Carmo Electronics They offer MOSFET regulators for the KZ1300A4 which is the same as the first generation of the dual generator set up like your friend's zn1300 bike.
Note the Brown wire between the 2 "Control Units". This is quite different from the single charging circuit of the KZ1300's
Last edit: 1 year 9 months ago by Kawboy.
Please Log in or Create an account to join the conversation.
- hcjw1966
-
- Offline
- New Member
-
- Posts: 2
- Thanks: 0
Re: BURNED STATOR.
1 year 9 months ago
My bike is ZG1300 (DFI model 1986) with one stator. The ZN1300 Voyager had 2 stators.
Does anyone has experience with MOSFET regulators?
Does anyone has experience with MOSFET regulators?
Please Log in or Create an account to join the conversation.
- Kawboy
-
- Offline
- Sustaining Member
-
- Posts: 3214
- Thanks: 1178
Re: BURNED STATOR.
1 year 9 months ago
Maybe we should talk about the failure here.
This is a 3 phase stator. When looking at the poles of the stator, as you count around the poles in either a clockwise or counterclockwise rotation, the poles are phase 1, phase 2, phase3, phase1, phase 2, phase3 etc.
Note that the upper 8 poles are all showing signs of burnt windings
These stators are oil cooled by the oil port in the bottom of the cover and the oil passage leading up on an angle on the left side of the cover. Once the stator is removed from the cover, you can see the oil port orifice which spills oil on the stator to keep the windings cool. That orifice is around .025".
What can happen if you're not careful is either-
an improper gasket which does not have a passage hole in the gasket so the oil flow from the crankcase, can pass into the stator cover supplying the cooling oil to the stator or,
Too much gasket sealer was used and got trapped in the oil passage.
The fact that all 3 phases of the stator got fried leads me to think that there may be a stator cooling problem that started all this.
This is a 3 phase stator. When looking at the poles of the stator, as you count around the poles in either a clockwise or counterclockwise rotation, the poles are phase 1, phase 2, phase3, phase1, phase 2, phase3 etc.
Note that the upper 8 poles are all showing signs of burnt windings
These stators are oil cooled by the oil port in the bottom of the cover and the oil passage leading up on an angle on the left side of the cover. Once the stator is removed from the cover, you can see the oil port orifice which spills oil on the stator to keep the windings cool. That orifice is around .025".
What can happen if you're not careful is either-
an improper gasket which does not have a passage hole in the gasket so the oil flow from the crankcase, can pass into the stator cover supplying the cooling oil to the stator or,
Too much gasket sealer was used and got trapped in the oil passage.
The fact that all 3 phases of the stator got fried leads me to think that there may be a stator cooling problem that started all this.
The following user(s) said Thank You: dcarver220b
Please Log in or Create an account to join the conversation.
Moderators: scotch
Time to create page: 0.165 seconds
