Welcome to the Kunena forum!
Tell us and our members who you are, what you like and why you became a member of this site.
We welcome all new members and hope to see you around a lot!
Tell us and our members who you are, what you like and why you became a member of this site.
We welcome all new members and hope to see you around a lot!
Hello all z1300 folks !
- Esa
-
Topic Author
- Offline
- New Member
-
- Posts: 2
- Thanks: 0
Hello all z1300 folks !
6 years 11 months ago
Hi ! I’m new member of this group. Nice to be here ! Outside temperature is just now -30c (live in Finland) but in my garage Z1300 A5 1983 restoration project continue.
One part is missing and I’m asking if somebody here could help me:
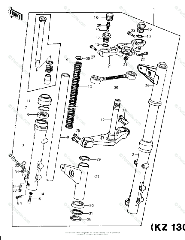
- 1pc Metal ring in front fork, part nr. 131691163. You can see my avatar picture. It is located down on headlight holder. One is missing.
Thanx!
Br. Allan
One part is missing and I’m asking if somebody here could help me:
- 1pc Metal ring in front fork, part nr. 131691163. You can see my avatar picture. It is located down on headlight holder. One is missing.
Thanx!
Br. Allan
Please Log in or Create an account to join the conversation.
- Kawboy
-
- Offline
- Sustaining Member
-
- Posts: 3170
- Thanks: 1158
Re: Hello all z1300 folks !
6 years 11 months ago
Welcome to the site. Let's see if we can help you with your request. Have to warn you though, the fork ears seem to be hard to come by.
Boys- He's looking for item #30 in the pic. anyone have one to offer up or know where they can be sourced?
Boys- He's looking for item #30 in the pic. anyone have one to offer up or know where they can be sourced?
Please Log in or Create an account to join the conversation.
- strate6
-
- Offline
- Platinum Member
-
- On An Adventure Before Dementia ! !
- Posts: 1085
- Thanks: 347
Re: Hello all z1300 folks !
6 years 11 months ago
The bad news is they are rarer than an Honest UK Politician (which dont exist at all) and would cost more than their weight in Gold if you could find one.
Unless it MUST be the original part, I would look and other Universal fitting mount brackets.
Pete F
UK
Unless it MUST be the original part, I would look and other Universal fitting mount brackets.
Pete F
UK
Why Have Four When You Can Have Six ?
The following user(s) said Thank You: StanG
Please Log in or Create an account to join the conversation.
- StanG
-
- Offline
- Banned
-
- Posts: 1987
- Thanks: 237
Please Log in or Create an account to join the conversation.
- McBoney
-
- Offline
- Platinum Member
-
- Posts: 561
- Thanks: 87
Re: Hello all z1300 folks !
6 years 11 months ago
Oz from Zed-Parts might be able to get this - he has good supply lines from Kawasaki in the Netherlands. He also has a large stock of spares...
He is based in UK. Google him.
Paul
He is based in UK. Google him.
Paul
Six-Pot-Cafe in the making...
Please Log in or Create an account to join the conversation.
- StanG
-
- Offline
- Banned
-
- Posts: 1987
- Thanks: 237
Re: Hello all z1300 folks !
6 years 11 months ago
There was a set of ALL parts, including rubbers etc. for both sides, with one of what you are asking for squashed on one side for $69. Even for that I shit in it, LOL But there were other auctions as well, with the one you are looking for, brand new, for $35 plus I think 10 or 15 shipping. That might be cheap earning pounds I suppose, but for me, in Canada, that was worse than diarrhea! hahaha Would you pay 50 pounds for a metal ring? Insanity. I got a rubber gasket for something that matched for about 5 pounds. \or 10 CAN $. Split it in half, and voila - two perfect replacements. That doesn't mean I'd love to have all original, but only at a reasonable price.
Please Log in or Create an account to join the conversation.
Time to create page: 0.188 seconds
